方案海报
目前市面上的体脂秤按电极数分类主要为四电极、八电极。八电极体脂秤,如图1所示,能结合基于大数据日益优化的人体体征数据模型,更准确地测出不同身体部位的体脂。
图1 八电极体脂秤
近几年,测量体脂最为常见的生物电阻测量法(Bio impedance analysis,简称BIA),在很短的时间内就能获得比较准确的测量值。
BIA测量法的主要原理是将身体简单分为导体的体液、肌肉等,以及不导电的脂肪组织,测量时由电极片发出极微小电流经过身体,若脂肪比率高,所测得的生物电阻较大,若脂肪比率低,所测得的生物电阻较小。
BIA方法的本质是测量人体阻抗,体脂秤一般是通过秤体表面的电极或者ITO导电玻璃测试人体阻抗。因此,八电极的体脂秤需双手和双下肢都接触电极,当接触电极之后,芯片内部产生微弱交流电压信号分段多频地测量出四肢和躯干的阻抗值,人体阻抗测量方案如图2所示。
结合被测者的身高、体重、年龄、性别等数据,拟合计算出体脂率等人体健康参数,如图3所示。
图2 阻抗测量方案示意图
图3 人体成分的细分模型示意图
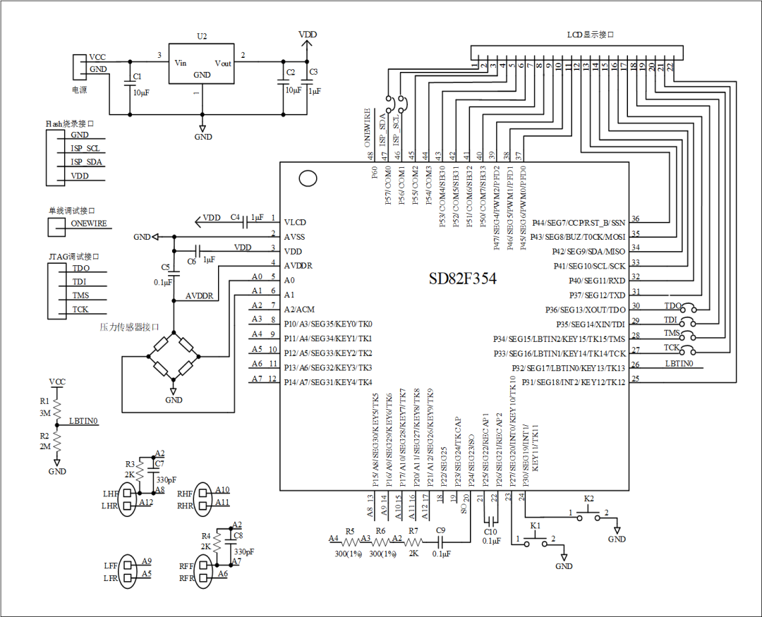
本文将重点介绍基于晶华微SD82F354芯片的八电极体脂秤应用。如图4所示:
SD82F354芯片资源丰富,具有高精度ADC,能准确测量出体重数据;
自带LCD/LED驱动和可分频的正弦波发生器,不需要专门的LCD/LED驱动芯片和交流整流电路便可实现八电极体脂秤的显示和体脂及心率测量功能,并且带有8路ADC单端通道,足够八电极体脂秤分段测量人体四肢和躯干的体脂率;
自带电压检测,不需要低压检测芯片便可实现电池电量检测功能,并且检测电压2.1~5.3V可调整;
有32k Bytes FLASH存储用户程序和数据,并且有额外1k Bytes的用户数据区可用于用户数据存储,非常契合八电极体脂秤的方案。
硬件方面,只需要很少的外围元器件就可以实现八电极体脂秤应用方案。软件方面,SD82F354芯片可使用C语言进行软件开发,同时还提供完整的SDK和库函数,方便软件工程师开发,并且有强大的技术团队提供技术支持,有效降低产品研发门槛,可大大缩短项目开发周期。
图4 八电极体脂秤方案框图
图5 基于SD82F354的八电极体脂秤原理图
SD82F354是由杭州晶华微推出的带有丰富外围资源的8位MCU芯片,主要应用于八电极脂肪秤、温度测量等领域,有以下特点:
ADC
高精度ADC,ENOB = 18bits@8sps (Gain = 256),4个差分通道或者8个单端通道。
低噪声高输入阻抗前置放大器,1、4、8、16、32、64、128和256倍增益可选,带offset校正功能。
存储器
32k Bytes FLASH,1k Bytes SRAM。
系统时钟
内置16MHz高频RC振荡器和32kHz低频RC振荡器。
LCD驱动
带LCD驱动模块,支持两种显示波形,4COM x 36SEG、5COM x 35SEG、6COM x 34SEG和8COM x 32SEG四种驱动模式;驱动电压可选,2.7~5.2V。
LED驱动
支持LED驱动电路,Sink端驱动电流为70mA。
正弦波发生器
内置正弦波发生器,输出频率可选:5kHz、50kHz、100kHz、200kHz、250kHz,支持八电极BIA测脂及心率测量。
电源管理系统
内置低压检测电路,包括一个12 bits DAC和一个rail to rail 输入的比较器,以实现灵活的电池检测等功能。电压检测范围2.1~5.3V。
内置传感器激励输出,输出电压可选,2.4V、2.7V、3.0V、3.3V、3.6V、3.9V、4.2V、4.5V。
通信
内置1路UART通信接口,待机时RXD下降沿自动唤醒MCU。
内置1路I²C通信接口。
内置1路SPI通信接口。
温度传感器
内置硅温度传感器,可以单点校正,支持自动正反测。
低功耗
典型工作电流:400μA/MIPS@3.3V,深度休眠电流2.5μA,深度休眠状态下加RTC电流8.5μA。
SD82F354与其他通用MCU相比,在八电极体脂秤应用上可节省大部分外围元器件,加之高效的软件技术支持,价格和时间成本上具有较大的优势。
相关案例
中微半导新国标充电宝方案
联系客服
中微半导2026/03/02

英集芯Boost PFC+Flyback 100W解决方案
联系客服
英集芯2025/12/08

芯朋微【一站式】原边/同步/PD协议,65W GaN高集成快充方案
联系客服
芯朋微电子2025/12/03


晶华微电子
杭州晶华微电子股份有限公司(股票代码:688130)成立于2005年,专注于高性能模拟及数模混合集成电路的研发与销售,以高集成度、高可靠性的集成电路创新设计能力和先进的品质保证体系,为用户提供-站式集成电路设计及产品化应用方案。
查看更多