方案海报
全新推出FU6532T低压吊扇/落地扇方案
随着智能小家电的应用日益成熟,市场对产品性能与成本控制的要求不断提升。峰岹科技推出了全新的FU6532T芯片及基于该芯片的高性价比低压吊扇和落地扇解决方案。在技术上实现了突破,同时在成本控制方面也达到了新高度,为消费者提供了更优质的选择。
FOC控制与双核高效运行
FU6532T芯片方案采用FOC控制,支持有感/无感FOC、有感启动切换至无感FOC运行以及方波控制等多种方式。芯片采用创新的双核架构设计,结合通用MCU与ME核,双核并行工作,实现高效稳定的运行。
高集成芯片 极具性价比
集成了FOC模块、MDU乘除法器、LPF模块、PID模块、内部运放、比较器、LDO和高速ADC等组件,有效减少了外围器件和BOM成本,从而加速了整体方案的设计进程。
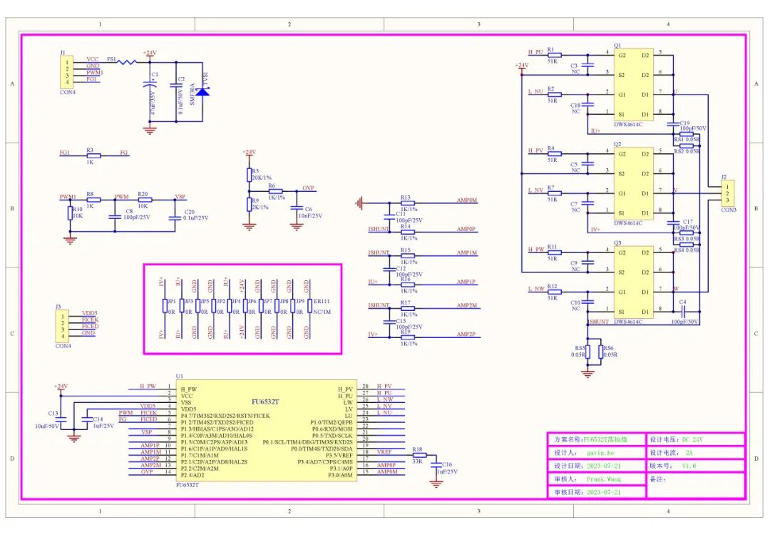
单、双电阻采样 高效静音
方案灵活搭配,控制系统高效且静音。采用新型单电阻采样方式,有效降低了单电阻无感FOC运行时的噪音。
低压吊扇双电阻原理图
落地扇双电阻单面板
启动兼容性高 提升产品开发效率
考虑到不同应用场景下的需求差异,FU6532T芯片在设计时特别注重启动兼容性,搭配PLL启动算法和AO自适应观测器,启动顺滑平缓、反偏极小
无感FOC启动波形
FOC顺逆风检测,通过估算角度来准确判断顺逆风、正反转
正反转测试

顺风启动
睡眠模式 实现低功耗
进入深度睡眠模式后,实测产品板的电流从8.12mA降到1.28mA。,实现了低功耗。
多种保护功能 稳定可靠
产品内置多种保护功能,包括硬件过流、软件过流、过压/欠压、堵转、缺相、超功率、线性限转速及线性限功率等,提升了实际应用中的安全性和可靠性。
多种闭环方式 精准控制
支持转速、功率和转矩的闭环控制,针对不同控制目标,实现电机性能的精确调节。
大功率、大风量应用
芯片具备强大的驱动和抗干扰能力,支持最高可达300W及以上的功率应用,满足大功率和大风量应用的需求。
智能化多功能 满足更多需求
FU6532T芯片具有28个引脚,配备2个UART通信接口和3个定时器,适合需要多接口通信和定时器控制控制的应用,能够实现更多智能化功能,具有极高的性价比。
FU6532T引脚图
FU6532T芯片主要参数
算法硬件化:适用BLDC/PMSM电机的方波、FOC驱动控制 | |
双核架构:ME和8051内核 | |
32KB Flash、4K RAM | |
工作电压:7V ~ 28V,推荐最大电压值36V |
基准电压:3V、4V、4.5V、5V | |
2个UART通信、3个TIME定时器 | |
集成FOC、MDU、LPF、PID、SVPWM等硬件化模块 | |
集成LDO、高速运算放大器、比较器、高速ADC、CRC、SPI、I2C等 |
Tj:-40℃~+125℃ |
相关案例
上海海思×金卡智能:NB-IoT星闪安全智慧厨房解决方案,主动防护用气安全
联系客服
上海海思2025/10/17

极海APM32F035无电解电容变频控制参考方案
联系客服
极海半导体2025/10/13

中微半导高性价比高速风筒公模方案
联系客服
中微半导2025/10/13


峰岹科技
峰岹科技成立于2010年,是一家专业的电机驱动芯片半导体公司,致力为各种电机系统提供高质量的驱动和控制芯片,及电机技术的咨询服务。我们提供的芯片应用领域涵盖工业设备、运动控制、电动工具、消费电子、智能机器人、IT及通信等驱动控制领域。
查看更多