
圣邦微电子
产品详情
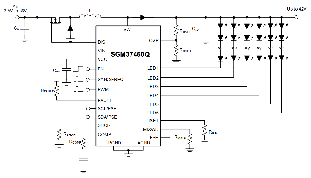
圣邦微电子推出SGM37460Q,一款专为车载智能座舱中的中控屏、仪表盘及抬头显示(HUD)等应用推出的六通道、集成前级升压(Boost)转换器的车规级背光LED驱动芯片。
圣邦微电子推出SGM37460Q,一款专为车载智能座舱中的中控屏、仪表盘及抬头显示(HUD)等应用推出的六通道、集成前级升压(Boost)转换器的车规级背光LED驱动芯片。

工程师们往往会根据不同用户的需求选择合适的调光模式。SGM37460Q支持通过I²C或外围电阻配置模拟调光、PWM调光及混合调光,可满足绝大多数客户的需求。
模拟调光 通过调节LED的驱动电流改变亮度。亮度输出平滑、无闪烁、无高频电流开关噪声、EMI低且运行安静,适合对EMC表现高要求的应用。
PWM调光 以固定峰值电流驱动LED,通过调节占空比控制平均亮度,电流波形始终保持最大幅度,LED的色温和光谱在整个亮度范围内都能保持一致。具备高效率、高精度以及出色的亮度一致性等特点。
混合调光 结合了前两者:在高亮度区采用模拟调光,实现低EMI、较高效率和较稳定色温;在低亮度区切换为PWM调光,避免高低亮度间色温偏差过大并保持高效率。
此外,SGM37460Q在PWM调光以及混合调光的PWM段支持相移功能,最小化瞬时负载变化导致的浪涌电流,并降低功率路径上的电压/电流纹波。

图2 混合调光模式

图3 模拟调光、PWM调光、混合调光及带移相功能的调光方式下的典型波形
SGM37460Q内置了一颗Boost下管,其典型的导通阻抗仅90mΩ,显著降低导通损耗。结合芯片出色的驱动电路设计,SGM37460Q的Boost变换器效率可达94%。(测试条件:VIN = 12V,ISET = 100mA,LED灯串配置为6通道×12串每通道)

图4 SGM37460Q效率与LED电流的关系
除Boost变换器的高效率外,SGM37460Q还具有LED各通道的低余量电压(Headroom Voltage)的优势,进一步降低系统损耗。结合低热阻系数的QFN封装,SGM37460Q的温升表现优于同类方案。

图5 SGM37460Q温升表现
(测试条件:VIN = 12V,ISET = 100mA,LED灯串配置为6通道 × 8/10/12串每通道)
SGM37460Q采用开关频率抖动(抖频)技术,有效分散EMI能量分布,降低开关基频及其高次谐波处的峰值干扰电平。该机制显著削弱频谱尖峰,提升系统EMI裕量,在不增加滤波器或磁件成本(方便,低成本)的前提下优化整体电磁兼容性能。工程师们可以通过I²C或外围电阻灵活配置调制频率和深度,以适应不同应用场景。

图6 调制频率(FMOD)和调制深度(△Fsw)示意图

图7 抖频下的典型波形
SGM37460Q集成了多种保护功能,包括Boost过流保护(OCP)、Boost过压保护(OVP)、过温保护(OTP)、LED开路保护(LED Open Protection,可恢复)、LED短路保护(LED Short Protection,可恢复)以及LEDx-GND短路保护(Short LEDx-to-GND Protection)。这些功能共同保障芯片平稳运行,并大幅降低外部防护电路需求。
芯片还设有故障警告引脚(FAULT),可拉低信号来触发系统中上位机的中断功能。上位机也可通过I²C读取SGM37460Q寄存器,实现故障诊断。
此外,SGM37460Q还集成了LED电流高温衰减功能,当器件温度超过+140℃,自动降低各通道LED电流。
符合AEC-Q100 Grade 1标准;
输入电压范围:3.5V至36V;
LED阳极电压:最高42V;
6个LED驱动通道,每个通道最高150mA;
支持PWM调光、模拟调光和混合调光;
15000 : 1的PWM调光比(在200Hz下);
±2.5%的通道间电流匹配精度;
Boost环路支持LED阳极电压自适应调节;
内置90mΩ MOSFET;
支持高达5A的逐周期开关电流限制;
开关频率支持300kHz至2.2MHz内可调,且支持外部开关频率同步;
集成频谱扩展功能(Spread Spectrum);
支持通过I²C接口配置或者外围电阻配置;
通过FAULT引脚释放故障中断功能;
Boost过流和输出过压保护;
LED开路和短路保护;
高温降额功能和过温保护;
符合环保理念的TQFN-4×4-24EL绿色封装,并带有可湿性侧面。