
矽力杰半导体
产品详情
在智能驾驶系统中,摄像头就是汽车的“眼睛”。为了让这双眼睛看得清、看得稳,电源管理芯片(PMIC)扮演着至关重要的角色。矽力杰最新推出的SA47366正是一款专为车载摄像头模组量身打造的高度集成PMIC,以ASIL-B级功能安全和极致的小型化设计,重新定义了车载视觉电源方案。


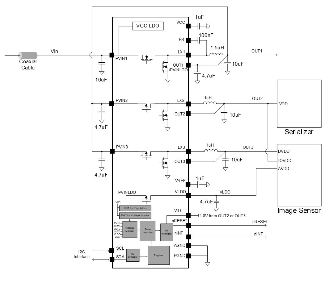
SA47366专为优化同轴电缆供电(POC)应用设计。其高压Buck1转换器支持最高18V输入,可直接承载通过同轴电缆传输的电源,无需复杂的独立供电线路,在优化车内布线的同时减轻了整车重量和装配成本。
SA47366在仅4mm×4mm的QFN-24封装内,集成了3个Buck转换器+1个超低噪声LDO,配合2.2MHz的高开关频率,可使用更小体积的外围电感电容。SA47366还提供QFN3×3-20的更小封装版本,为摄像头模组节省了宝贵的PCB空间,非常适合塞进紧凑的环视或后视摄像头中。

图像传感器对电源噪声非常敏感,电源如果不干净,画面就会有噪点或条纹。 SA47366就像一个强力“过滤器”,确保输出电流极其纯净,从而让摄像头拍出的画面清晰、无干扰。SA47366内置LDO,在10Hz-100kHz范围内输出的噪声电压小于 10µV,且在宽频范围内拥有大于50dB的电源抑制比(PSRR),同时其Buck转换器具备扩频技术以优化EMI性能。

SA47366严格遵循ISO 26262 ASIL-B功能安全设计标准,符合AEC-Q100 Grade1标准,支持-40°C至+125°C宽温工作,无论是在冰天雪地的极寒,还是在高温暴晒的酷暑都能稳定运行。另外,SA47366具备完整的OVP/UVP/OCP/OTP保护及自检机制,一旦发现异常立即处理,绝不让车辆“致盲”。

SA47366以"小体积、高可靠、低干扰"的特性,完美适配环视、前视ADAS、舱内监控及电子后视镜等多种应用场景。同时,矽力杰还提供非功能安全版本SA47302系列,为客户提供灵活的成本与性能选择。