
圣邦微电子
产品详情
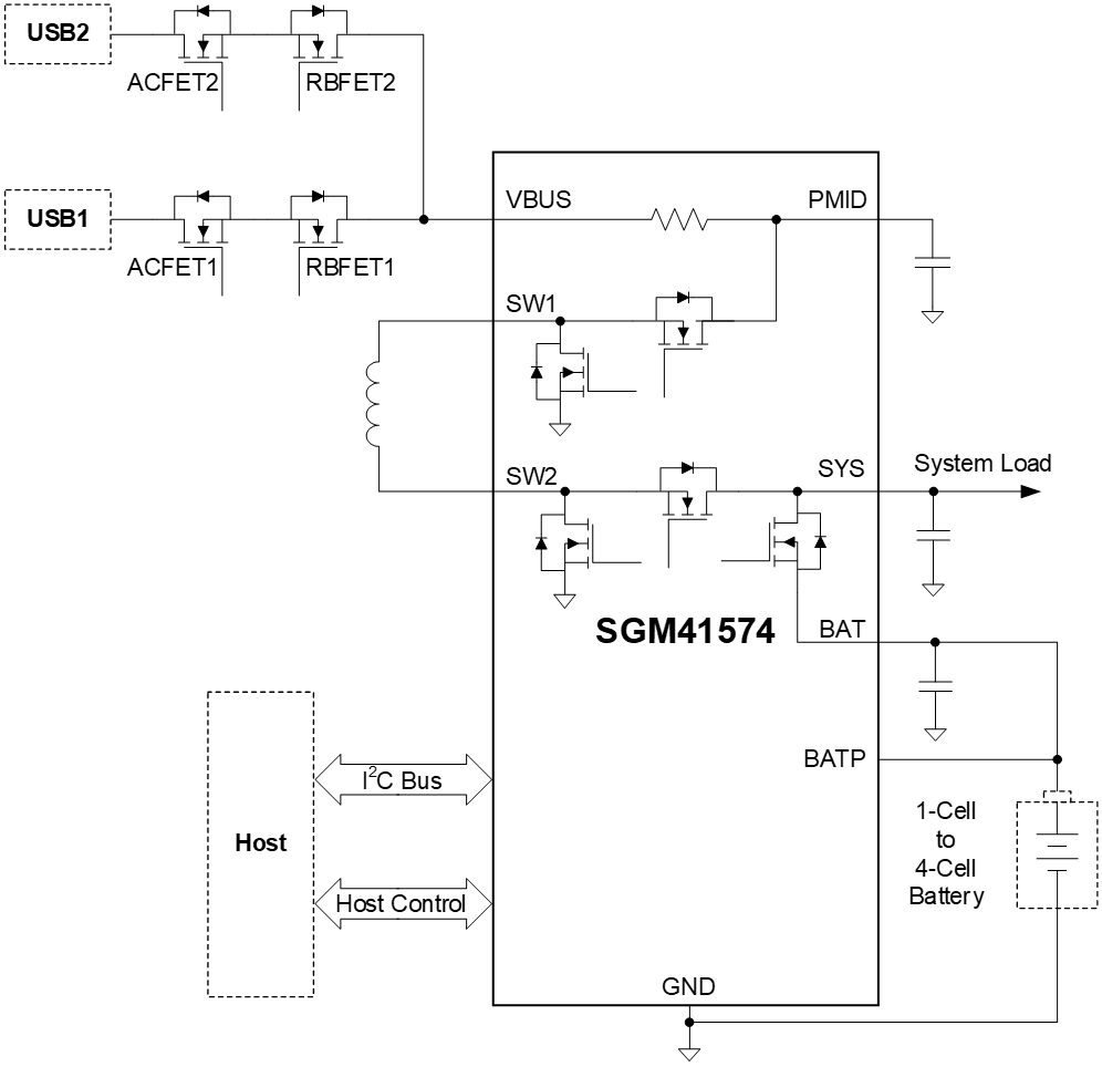
圣邦微电子推出 SGM41574 和 SGM41575 两款高集成度升降压电池充电及系统电源路径管理芯片。两个器件均内置四颗功率开关 MOSFET 和一颗连接系统与电池的充放电管理 MOSFET(BATFET)。凭借其高功率、高效率、双向升降压拓扑结构以及 NVDC(脚注1) 充放电路径管理优势,SGM41574/5 可广泛应用于笔记本电脑、平板设备、无绳电动工具、清洁机器人等多个市场。
图 1 SGM41574 简化原理图
其中,SGM41574 采用 TQFN-4×4-29L 封装,SGM41575 采用 WLCSP-2.97×3.37-56B 封装,两者均能为极小尺寸、高功率密度应用提供理想的设计解决方案。相较于 SGM41574,SGM41575 额外提供了一个输入电源良好指示引脚 nPG,一个充电电流检测输出引脚 IBAT,以及一个连接检测电池负端电压的引脚 BATN。
图 2 SGM41574 封装引脚图
图 3 SGM41575 封装引脚图
SGM41574/5 支持 3.6V 至 24V 的宽输入电压范围,电池充满电压可在 3V 至 18.8V 范围内灵活设置(10mV 步进),充电电流在 50mA 至 5A 之间可设(10mA 步进),能够良好适配一至四节锂离子或锂聚合物电池充电应用场景。其宽输入电压与电流范围支持 USB-PD 应用,最高充电功率可达 60W,能满足客户日益增长的用电功率需求和对系统快速补电的期待。
SGM41574/5 采用低阻抗功率路径,系统充电效率最高可达 96%(测试条件:VVBUS = 9V, VBAT = 8V, ICHG = 2A, fSW = 750kHz)。高效率充电不仅有利于节能环保,还能降低系统散热设计难度,有效控制电池温升,延长电池寿命。
图 4 SGM41574 两节电池充电效率
图 5 SGM41574 四节电池充电效率
SGM41574/5 具备高精度的充满电压与充电电流控制能力,SGM41574 典型参数精度范围见表 1 和 表 2。
表 1 SGM41574 不同充满电压下精度范围
充满电压(CV)设置值 | 精度范围 |
8.4V | -0.4% 至 +0.6% |
12.6V | -0.25% 至 +0.25% |
16.8V | -0.7% 至 +0.3% |
表 2 SGM41574 不同快充电流下精度范围
快充电流(CC)设置值 | 精度范围 |
1A | -2.5% 至 +5.5% |
2A | -2.5% 至 +2.5% |
4A | -3% 至 +2% |
1、NVDC 充放电路径管理
SGM41574/5 采用 NVDC 充放电路径管理架构,内置 BATFET 连接电池与系统,支持动态电源路径管理,可在适配器供电、电池补电及混合模式间智能切换。即便在没有电池或电池电量完全耗尽的情况下,系统电压仍可稳定维持在预设最低电压以上。当输入端适配器功率足够大,芯片可同时为系统供电和电池充电;当系统功率需求突增而适配器输入功率不足时,芯片会自动切换至补电模式,由电池和适配器一起为系统供电,确保设备正常运行。其正向功率传输路径如图 6 所示。
图 6 充电器正向功率传输路径示意图
2、输入动态功率管理
SGM41574/5 支持输入动态功率管理(DPM)功能,可实时监测并限制输入电压和输入电流,避免输入适配器过载或超出最大电流限制。在 DPM 模式下,芯片会通过动态调整充电电流优先保证系统供电需求,在系统功率较大的时候,支持电池与适配器一起为系统供电。SGM41574/5 还集成一种输入电流优化能力(ICO),可以监测调节最大输入电流限制,避免输入适配器工作在 VINDPM 过载状态。
图 7 VINDPM(输入电压动态功率管理)策略下系统电压、电池电压和电流的变化曲线
图 8 IINDPM(输入电流动态功率管理)策略下系统电压、电池电压和电流的变化曲线
3、双输入源选择功能
SGM41574/5 可灵活配置单输入源或双输入源两种架构,并配备双输入源选择管理功能,可通过软件配置实时切换供电源,适用于具备双输入充电端口设备,兼容有线与无线充电方案。
4、电池反向供电 VBUS 端口功能
通过寄存器设置,SGM41574/5 支持电池反向给 VBUS 端口设备供电,以满足 USB OTG、PD 等系统应用。该功能模式下,可设置 VBUS 输出电压范围为 2.8V 至 22V(最小步进 10mV),可设置 VBUS 输出电流限范围为 120mA 至 3.32A(最小步进 40mA)。
图 9 SGM41574 电池反向供电 VBUS 端口功率路径
5、储运模式(Ship Mode)
SGM41574/5 提供 SDRV 驱动引脚,可控制外部 N-MOSFET 实现储运模式。在仅由电池供电时,主机可以通过 I²C 接口将设备设置为储运模式或关断模式,从而断开电池至系统的供电路径,降低漏电流,有利于降低便携式设备在出厂运输、长期储存过程中的电池耗电,延长电池寿命。
图 10 SGM41574 电路配置(未使用 Ship-FET)
图 11 SGM41574 电路配置(使用 Ship-FET)
SGM41574/5 支持 I²C 通信接口。主机可通过 I²C 接口灵活配置充电电压、充电电流、系统电压、OTG 输出电压等功率参数,并实时监测芯片运行状态和故障示警。芯片还集成了多个 16 位 ADC,可用于监测输入电压、输入电流、电池电压、充电电流、系统电压以及电池和芯片的温度,为实现智能、安全、可靠的充电策略提供数据支持。
SGM41574/5 支持单机模式运行。无需主机控制即可自动检测电池电压并按默认参数设置开始充电。在非 DPM 或热调节模式下,检测到充满电后,充电周期将自动截止;如果电池电压再次低于复充阈值,则自动开启新一轮充电周期。
SGM41574/5 可通过 D+/D- 引脚自动识别输入电源类型,器件符合 USB BC1.2 协议规范,可识别 SDP、CDP、DCP 和非标准类型适配器。同时还内置 QC2.0 快充握手协议,支持可调高压适配器(HVDCP)的快速充电应用。通过配置 DPLUS_DAC 和 DMINUS_DAC 寄存器,用户还可以实现其他适配器接口协议的定制化。
SGM41574/5 为电池充电和系统运行提供全面的保护,包括输入/系统/电池过压保护、正向和反向输出过流保护、芯片热关断保护、电池温度监控、充电安全定时器等。一旦触发故障或保护状态,芯片可通过 STAT 引脚闪烁示警,并通过 nINT 引脚向主机发送负脉冲信号,内置状态寄存器也会实时记录芯片运行状态和故障保护状态。通过内置的 16 位 ADC,主机也可以实时监测输入电压、输入电流、电池电压、充电电流、系统电压以及电池和芯片的温度等参数,助力系统实现更灵活、安全、可靠的充电策略。
输入电压范围:3.6V 至 24V;
最高输入耐压:30V;
支持电池节数:一至四节;
电池充满电压:3V 至 18.8V,10mV 步进;
最低系统电压:2.5V 至 16V,250mV 步进;
快充充电电流:50mA 至 5A,10mA 步进;
预充充电电流:40mA 至 2A,40mA 步进;
截止电流:40mA 至 1A,40mA 步进;
输入电压限值(VINDPM):3.6V 至 22V,100mV 步进;
输入电流限值(IINDPM):100mA 至 3.3A,10mA 步进;
VBUS反向输出电压:2.8V 至 22V,10mV 步进;
VBUS反向输出电流限值:120mA 至 3.32A,40mA 步进;
开关频率可选:750kHz,1500kHz;
充电效率:96%@VVBUS = 9V,VBAT = 8V,ICHG = 2A,fSW = 750kHz;
支持轻载 PFM 模式和 OOA 功能;
双输入电源通道管理;
基于 BC1.2 协议自动识别适配器类型,支持 QC2.0 快充协议;
提供 SDRV 驱动引脚支持储运模式;
集成功率 MOSFET,电流检测与环路补偿;
NVDC 充放电路径管理;
输入电压、输入电流动态功率跟踪;
I²C 通讯端口;
集成 16 位 ADC 监测各电压、电流、结温等参数;
过压、过流、过热、短路、充电安全计时等多重保护。
脚注1:NVDC 充放电路径管理架构是从传统高功率桥接充电路径(HPB)衍生而来,是一种低压差充电方案,即在充电时让系统供电电压跟随电池电压。如果电池电压与系统供电电压接近,则充电电源的输入电流可以方便地在负载和电池之间分流,充电电源不需要考虑同时给系统和充电满额配置,从而降低系统方案的成本。此外,即使在没有电池或电池电压很低时,设备也能维持最低系统电压,从而提升系统稳定性。