基本半导体推出62mm封装的1200V工业级碳化硅MOSFET半桥模块,产品采用新一代碳化硅MOSFET芯片技术,在保持传统62mm封装尺寸优势的基础上,通过创新的模块设计显著降低了模块杂散电感,使碳化硅MOSFET的高频性能得到更充分发挥。

基本半导体
产品详情
基本半导体推出62mm封装的1200V工业级碳化硅MOSFET半桥模块,产品采用新一代碳化硅MOSFET芯片技术,在保持传统62mm封装尺寸优势的基础上,通过创新的模块设计显著降低了模块杂散电感,使碳化硅MOSFET的高频性能得到更充分发挥。
基于电机驱动应用,基本半导体针对62mm规格的碳化硅MOSFET与IGBT模块进行了性能仿真对比,同时可提供这一款模块产品配套的整套驱动板解决方案及零件。
基本半导体第三代碳化硅MOSFET芯片技术,性能更优
低导通电阻,高温下RDS(on)表现优异
低开关损耗,提高开关频率,功率密度提升
高性能Si3N4 AMB和高温焊料引入,提高产品可靠性
高可靠性和高功率密度
低杂散电感设计,14nH及以下
铜基板散热
储能系统
焊机电源
感应加热设备
光伏逆变器
牵引辅助变流器
1. 静态参数测试
2. 动态参数测试
BMF540R12KA3在ID=270A、ID=540A动态测试时,开通损耗、关断损耗、总损耗均优于其它品牌同等级产品。
2.1 开关特性参数对比
测试条件:
VDS=600V, ID=270A, RG(on) =2Ω,
RG(off) =2Ω,Lσ=21nH, VGS=-4V/18V
测试条件:
VDS=600V, ID=540A, RG(on) =2Ω,
RG(off) =2Ω, Lσ=21nH, VGS=-4V/18V
2.2 波形对比
测试条件:
VDC=600V,VGS=-4V/+18V,
RG(on) =RG(off) =2Ω,Lload=10uH,
ID=540A,Tj=25℃
ID=540A——上桥
ID=540A——下桥
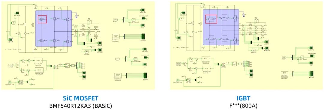
1. 碳化硅MOSFET模块与IGBT模块对比
碳化硅MOSFET模块与IGBT模块在电机驱动应用中的对比
使用PLECS软件建模。
红框为温度和损耗监控MOSFET和IGBT的位置,其余开关位置结果完全相同,不作展示。
仿真的工况及条件
仿真80℃散热器温度下,两款62mm模块在此应用工况中的损耗、结温和整机效率。
应用为电机驱动。
3.1 仿真任务1——固定出力仿结温
仿真80℃散热器温度下,母线电压800V,输出相电流300Arms应用工况下的损耗、结温和整机效率。
输出有功功率=300A*330V*3*cosφ=237.6kW
效率(%)=输出有功功率/(输出有功功率+器件总损耗功率)=237.6kW/(237.6+1.11922*6)kW=97.25%
BMF540R12KA3(工况6kHz 300Arms)
F***(800A)(工况6kHz 300Arms)
3.2 仿真任务2——固定结温仿出力
80℃散热器温度与约束结温Tj≤175℃情况下,计算系统相电流输出大小。
3.3 仿真任务3——开关频率和输出电流的关系
仿真母线电压=800V,80℃散热器温度,在限制结温Tj≤175℃情况下,两款模块开关频率和输出电流的关系。
BMF540R12KA3(工况6kHz 556.5Arms)
F***(800A)(工况6kHz 446Arms)
BSRD-2503所应用到的以下三款零件为基本半导体自主研发产品,用户可单独使用以下零件进行整体方案的设计。
