产品咨询
产品咨询

力芯微EM14DN30Z双N MOS

logp

力芯微电子

在线客服
微信咨询
产品海报

产品详情

产品概述

随着手机快充技术的飞速迭代,“充电5分钟,通话两小时”早已不是新鲜事——各大厂商为追求更快充电速度,纷纷加码高压大电流方案,这也给充电电路的核心元器件提出了更高要求。而力芯微最新推出的EM14DN30Z 30V共源级双N MOS,正是为解决手机快充痛点而来,堪称智能手机快充的“理想搭档”。

为什么现在的手机快充,离不开这款双N MOS?如今的手机充电场景早已不单一:既要支持有线快充,又要兼容无线充电,还得兼顾充电口的安全防护与低功耗。过去依赖OVP(过压保护)电路的方案,逐渐跟不上“高压大电流+双充电路径”的需求——而EM14DN30Z的出现,恰好补上了这一缺口。

它专为手机快充设计,采用背靠背共源级双N MOS结构,能完美实现有线充电与无线充电的路径隔离,避免不同充电模式切换时的电路冲突;同时配合Switched Capacitor Direct Charger(开关电容直充技术)的GATE驱动与过压检测,直接替代传统OVP电路,既简化了设计,又提升了防护可靠性。

EM14DN30Z产品介绍

产品特性

· 漏源电压:30V;

· 最大通流:14A;

· 超低导通内阻(RON):R_DSON(D1,D2) = 7.2mΩ @ VGS = 10V

· 背靠背双向阻断功能;

· 小型化封装CSP22L (2.0mm*2.0mm, ball pitch=0.4mm)

图片

图1. EM14DN30Z封装信息

EM14DN30Z三大核心亮点

一款优秀的快充元器件,既要“能扛压”,又要“低损耗”,还得“不占地”——EM14DN30Z在这三点上做到了全面突破:

亮点1

强性能:30V耐压+14A大电流,扛住高压大电流冲击作为快充电路的“核心关卡”,EM14DN30Z的漏源电压高达30V,能轻松应对主流手机快充的高压需求;同时支持最大14A通流,即便是65W、120W级别的大电流快充,也能稳定承载,避免因电流过载导致的发热或性能衰减。

亮点2

低损耗:超低导通内阻,充电更快、更省电

导通内阻(RON)是影响充电效率的关键指标——内阻越小,电能损耗越少,充电时的发热也越低。EM14DN30Z在这一指标上表现惊艳:

- 当VGS=10V时,RD1D2(on)仅7.2mΩ

- 即便在VGS=4.5V的低电压驱动下,RD1D2(on)也仅9.5mΩ

超低内阻不仅能减少充电过程中的能量损耗,让充电速度再提一档,还能降低元器件发热,间接提升手机充电时的安全性与续航表现。

亮点3

小尺寸:2.0mm×2.0mm封装,给手机内部“省空间”如今的智能手机追求轻薄化,内部元器件的封装尺寸至关重要。EM14DN30Z采用CSP22L小型化封装,尺寸仅为2.0mm×2.0mm,球间距0.4mm——相比传统封装,能大幅节省PCB板空间,为手机厂商设计更轻薄的机身、更大容量的电池留出更多余地。

EM14DN30Z典型应用

硬核防护+广泛适配,覆盖主流快充场景。除了核心性能出众,EM14DN30Z的安全防护与场景适配能力也不容小觑:

浪涌防护升级

配合力芯微30V TVS(型号ES30P4N3LX)使用时,可实现±300V 8/20μs的浪涌防护,轻松应对充电过程中可能出现的电压波动,为手机充电口和内部电路筑起“安全屏障”;


图片

图2. EM14DN30配合TVS和驱动器的浪涌测试线路图(过压点配置7.2V)

图片

图3. EM14DN30配合TVS和驱动器300V 8/20us浪涌测试波形

场景全面覆盖

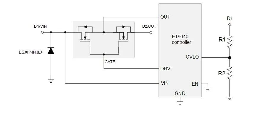
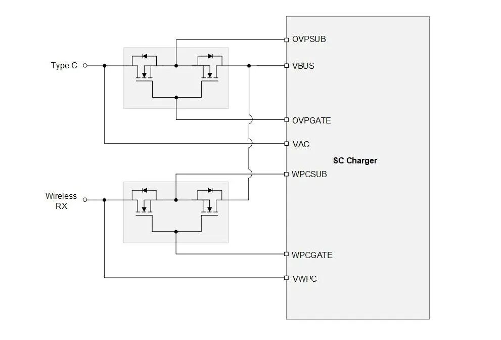
无论是单Type-C有线快充方案,还是Type-C有线+无线充的双输入方案,EM14DN30Z都能完美适配,满足不同手机机型的设计需求。

图片

图4. 单Type C 有线充典型应用图

图片

图5. Type C 有线充与无线充双输入应用

从“能充电”到“快充电、安全充电、高效充电”,手机快充技术的每一步升级,都离不开核心元器件的突破。力芯微EM14DN30Z以“高压耐压大电流承载、超低内阻、小型化封装”为三大亮点,为智能手机快充提供了更优越的解决方案——如果你是手机行业从业者,或是对快充技术感兴趣的科技爱好者,这款MOS管绝对值得关注!