产品咨询
产品咨询

兆易创新GD30BM201x电池模拟前置芯片

兆易创新GD30BM201x系列,是一款针对3至16串电池系统的工业级高精度、高可靠性电池模拟前置芯片

logp

兆易创新

在线客服
微信咨询
产品海报

产品详情

兆易创新GD30BM201x系列,是一款针对3至16串电池系统的工业级高精度、高可靠性电池模拟前置芯片。该系列产品能够为电池和供电电池模组提供全面的安全保障,为基于电芯供电的设备提供全方位的安全监护,广泛适用于电动工具、二/三轮车、便携式储能系统、通信基站备电、户用储能、AGV、机器人等应用场景。目前,产品已经在行业主流的头部客户批量出货。

GD30BM201x系列核心优势

- 准确监测电芯电压、电流、温度等物理量,全温电压采集精度±5 mV

- 实现对电池模组的安全监测和控制

- 电池状态参数(Sox)的精准测算,优于3%的SOC 算法

- 系统端整体防护参考机制

GD30BM201x系列:直击BMS四大核心痛点

选型参考

3~16串电池需求,可选择GD30BM2016XX系列

3~10串电池需求,可选择GD30BM2010XX系列

图片


图片

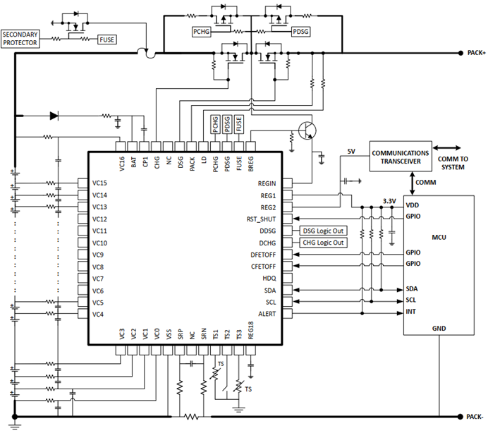
                                                      ▲GD30BM201x系列应用框图