圣邦微电子推出 SGM260320,一款集成三路 Buck、两路 LDO 及负载开关的高性能电源管理集成电路(PMIC)。该芯片凭借卓越的电气性能和丰富的功能特性,不仅能精准满足 SSD 系统对高能效和低待机功耗的核心需求,还能简化板级电路设计,并通过 OTP(一次性编程)和 I²C 接口实现智能控制,为 SSD 系统、FPGA、微控制器等终端设备提供高效供电方案,助力其实现智能化管理升级。

圣邦微电子
产品详情
SGM260320 将多种电源功能集成在小巧的 WLCSP-2.42×2.82-36B 封装中,替代分立器件显著节省板级空间。
三路高性能 Buck 转换器:Buck1 支持最大 4A 输出电流,Buck2/Buck3 各支持 3A 输出电流,工作频率 1.125MHz 或 2.25MHz,输出电压精度 ±1%,调节电压范围覆盖 0.6V 至 2.991V 或 0.8V 至 3.9875V,可灵活调节,精细步长 9.375mV/12.5mV,精准匹配不同应用的电压需求。
两路高稳定 LDO:LDO1/LDO2 最大输出为 300mA,电压调节范围和步长与 Buck 一致,确保供电协同。
智能负载开关:Buck1 和 LDO1/LDO2 均可配置为负载开关,轻松应对 3.3V 总线等场景的供电切换需求,提升系统灵活性。
效率与智能双优,让供电系统更可靠、更省心。
高能效表现:Buck 采用同步整流技术提升转换效率,3.3V 转 2.5V 效率高达 95%@1A,配合 COT 控制架构实现卓越瞬态响应。中重载时稳定运行于 PWM 模式以降低纹波,轻载时自动切换至节能模式(PSM),最大限度减少静态电流。用户可根据具体应用场景,灵活优化功耗、纹波和瞬态响应,降低待机功耗,其功耗表现完全满足 SSD 系统低待机功耗需求。
动态电压调节(DVS):三路 Buck 支持通过 I²C 接口、GPIO 引脚或睡眠模式触发等方式实现 DVS。可根据工作负载需求动态调整电压以优化功耗,电压转换无缝衔接。
出厂客制化配置:通过代码矩阵索引(CMI)预设参数,可针对不同需求编程配置每个通道的上电输入触发源(Trigger)、开启延时、默认电压等参数,4 个 GPIO 均支持 EXT_PG、DVS、SYS_EN、nRESET 等 8 种丰富的配置功能,无需改动硬件即可实现系统针对性优化,大幅提升适配效率。
I²C 智能控制:通过 1MHz 高速 I²C 接口,可实时调节输出电压、开关频率等关键参数,同时支持电源状态监控,实现电源良好(PG)、过压(OV)、欠压(UV)、过流(OC)等多种故障预警。
全场景稳定适配:输入电压范围 2.7V 至 5.5V,支持 -40℃ 至 +125℃ 宽温工作,无论是消费电子还是工业设备场景,均能保持稳定可靠运行。
内置全方位保护机制,为设备提供坚实可靠的安全保障。
输入过压/欠压(OV/UV)、输出过压/欠压(OV/UV):精准监控电压波动,避免异常电压波动影响器件和负载。
输出过流(OC)、短路保护(SCP),搭配热关断(TSD)功能:有效防止芯片因过载、短路导致过热损坏。
可编程电流限制:可根据不同负载需求灵活调整电流阈值,适配性更强。
无论是数据存储、工业控制还是智能设备领域,SGM260320 均能适配,满足多样化供电需求。
固态硬盘(SSD):为控制器和存储单元提供稳定的多路供电,其高转换效率、低功耗及动态电压特性,在数据高速读写过程中持续保障电源稳定,为存储系统的长效运行奠定坚实基础。
FPGA 与微控制器:精准匹配核心芯片的动态电压需求,助力高性能运算稳定运行。
个人导航设备:依托宽温特性与高效节能设计,有效延长设备续航时间。
SGM260320 为 SSD 系统供电提供完整的电源解决方案,助力产品实现小型化设计。器件采用符合环保理念的 WLCSP-2.42×2.82-36B 绿色封装,体积小、散热性能优异,尤其适合对空间要求较高的设计场景。
通过高集成、高效率与智能化控制,SGM260320 为多领域设备供电带来更优方案,推动终端产品在性能、可靠性与小型化上的全面升级。
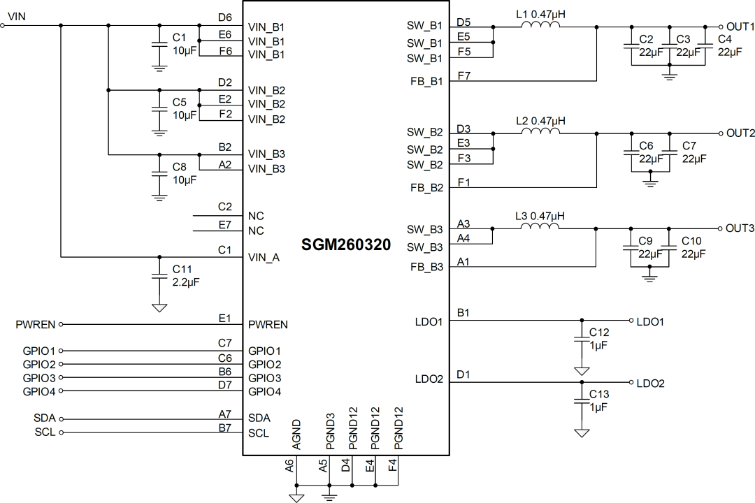
图 1 SGM260320 典型应用电路
图 2 SGM260320 封装示意图