纳芯微发布专为增强型GaN设计的高压半桥驱动芯片NSD2622N,该芯片集成正负压稳压电路,支持自举供电,具备高dv/dt抗扰能力和强驱动能力,可以显著简化GaN驱动电路设计,提升系统可靠性并降低系统成本。

纳芯微电子
产品详情
近年来,氮化镓高电子迁移率晶体管(GaN HEMT)凭借高开关频率、低开关损耗的显著优势,能够大幅提升电源系统的功率密度,明显优化能效表现,降低整体系统成本,在人工智能(AI)数据中心电源、微型逆变器、车载充电机(OBC)等高压大功率领域得到日益广泛的应用。应用背景
然而,GaN器件在实际应用中仍面临诸多挑战。以增强型氮化镓(E-mode GaN)器件为例,由于导通阈值较低,在高压大功率场景,特别是硬开关工作模式下,如果驱动电路设计不当,高频、高速开关过程中极易因串扰而导致误导通现象。与此同时,适配的驱动电路设计也比较复杂,这无疑提高了GaN器件的应用门槛。
为了加速GaN应用普及,国内外头部GaN厂家近年来推出了一些集成驱动IC的GaN功率芯片,特别是MOSFET-LIKE类型的GaN功率芯片,其封装形式可与Si MOSFET兼容,在一定程度上降低了GaN驱动电路的设计难度。但集成驱动的GaN芯片仍存在很多局限性:一方面难以满足一些客户对于差异化产品设计的需求;另一方面,在多管并联、双向开关等应用场景中并不适用,所以在诸多应用场景中仍需要分立GaN器件及相应的驱动电路。对此,纳芯微针对E-mode GaN开发专用驱动芯片NSD2622N,致力于为高压大功率场景下的GaN应用,提供高性能、高可靠性且具备成本竞争力的驱动解决方案。
NSD2622N是一款专为E-mode GaN设计的高压半桥驱动芯片,该芯片内部集成了电压调节电路,可以生成5V~6.5V可配置的稳定正压,从而实现对GaN器件的可靠驱动;内部还集成了电荷泵电路,可以生成-2.5V的固定负压用于GaN可靠关断。该芯片由于将正负电源稳压电路集成到内部,因此可以支持高边输出采用自举供电方式。
NSD2622N采用纳芯微成熟可靠的电容隔离技术,高边驱动可以支持-700V到+700V耐压,最低可承受200V/ns的SW电压变化速率,同时高低边输出具有低传输延时和较小的传输延时匹配特性,完全满足GaN高频、高速开关的需求。此外,NSD2622N高低边输出均能提供2A/-4A峰值驱动电流,足以应对各类GaN应用对驱动速度的要求,并且可用于GaN并联使用场景。NSD2622N内部还集成一颗5V固定输出的LDO,可以为数字隔离器等电路供电,以用于需要隔离的应用场景。
NSD2622N详细参数:
SW耐压范围:-700V~700V
SW dv/dt抑制能力大于200V/ns
支持5V~15V宽范围供电
5V~6.5V可调输出正压
-2.5V内置输出负压
2A/4A峰值驱动电流
典型值10ns最小输入脉宽
典型值38ns输入输出传输延时
典型值5ns脉宽畸变
典型值6.5ns上升时间(1nF 负载)
典型值6.5ns下降时间(1nF 负载)
典型值20ns内置死区
高边输出支持自举供电
内置LDO固定5V输出用于数字隔离器供电
具备欠压保护、过温保护
工作环境温度范围:-40℃~125℃
NSD2622N功能框图
相较于普通的Si MOSFET驱动方案,E-mode GaN驱动电路设计的最大痛点是需要提供适当幅值且稳定可靠的正负压偏置。这是因为E-mode GaN驱动导通电压一般在5V~6V,而导通阈值相对较低仅1V左右,在高温下甚至更低,往往需要负压关断以避免误导通。为了给E-mode GaN提供合适的正负压偏置,一般有阻容分压和直驱两种驱动方案:告别误导通风险,提供更稳定的驱动电压
阻容分压驱动方案
这种驱动方案可以采用普通的Si MOSFET驱动芯片,如图所示,当驱动开通时,图中Cc与Ra并联后和Rb串联,将驱动供电电压(如10V)进行分压后,为GaN栅极提供6V驱动导通电压,Dz1起到钳位正压的作用;当驱动关断时,Cc电容放电为GaN栅极提供关断负压,Dz2起到钳位负压的作用。
阻容分压驱动方案
以上阻容分压电路尽管对驱动芯片要求不高,但由于驱动回路元器件数量较多,容易引入额外寄生电感,会影响GaN在高频下的开关性能。此外,由于阻容分压电路的关断负压来自于电容Cc放电,关断负压并不可靠。
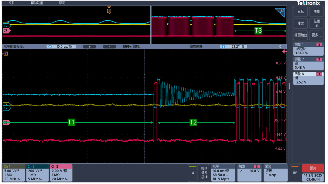
如以下半桥demo板实测波形所示,在启机阶段(图中T1)由于电容Cc还没有充电,负压无法建立,所以此时是零压关断;在驱动芯片发波后的负压关断期间(图中T2),负压幅值随电容放电波动;在长时间关断时(图中T3),电容负压无法维持,逐渐放电到零伏。因此,阻容分压电路往往用于对可靠性要求相对较低的中小功率电源应用,对于大功率电源系统并不适用。
E-mdoe GaN采用阻容分压驱动电路波形(CH2为驱动供电,CH3为GaN栅源电压)
直驱式驱动方案
直驱式驱动方案首先需要选取合适欠压点的驱动芯片,如NSI6602VD,专为驱动E-mode GaN设计了4V UVLO阈值,再配合外部正负电源稳压电路,就可以直接驱动E-mode GaN,以下为典型应用电路:
NSI6602VD驱动电路
这种直驱式驱动电路在辅助电源正常工作时,各种工况下都可以为GaN提供可靠的关断负压,因此被广泛使用在各类高压大功率GaN应用场景。
纳芯微开发的新一代GaN驱动NSD2622N则直接将正负稳压电源集成在芯片内部,如以下半桥demo板实测波形所示,NSD2622N关断负压的幅值、维持时间不受工况影响,在启机阶段(图中T1)驱动发波前负压即建立起来;在GaN关断期间(图中T2),负压幅值稳定;在驱动芯片长时间不发波时(图中T3),负压仍然稳定可靠。
E-mode GaN采用NSD2622N驱动电路波形(CH2为低边GaN Vds,CH3为低边GaN Vgs)
简化电路设计,降低系统成本
NSD2622N不仅可以通过直驱方式稳定、可靠驱动GaN,最为重要的是,NSD2622N通过内部集成正负稳压电源,显著减少了外围电路元器件数量,并且采用自举供电方式,极大简化了驱动芯片的供电电路设计并降低系统成本。
以3kW PSU为例,假设两相交错TTP PFC和全桥LLC均采用GaN器件,对两种直驱电路方案的复杂度进行对比:
如果采用NSI6602VD驱动方案,需要配合相应的隔离电源电路与正负电源稳压电路,意味着每一路半桥的高边驱动都需要一路独立的隔离供电,所以隔离辅助电源的设计较为复杂。鉴于GaN驱动对供电质量要求较高,且PFC和LLC的主功率回路通常分别放置在独立板卡上,因此,往往需要采用两级辅助电源架构,第一级使用宽输入电压范围的器件如flyback生成稳压轨,第二级可以采用开环全桥拓扑提供隔离电源,并进一步稳压生成NSI6602VD所需的正负供电电源,以下为典型供电架构:
NSI6602VD驱动方案典型供电架构
如果采用NSD2622N驱动方案,则可以直接通过自举供电的方式来简化辅助电源设计,以下为典型供电架构:
NSD2622N驱动方案典型供电架构
将以上两种GaN直驱方案的驱动及供电电路BOM进行对比并汇总在下表,可以看到NSD2622N由于可以采用自举供电,和NSI6602VD的隔离供电方案相比极大减少了整体元器件数量,并降低系统成本;即使采用隔离供电方式,NSD2622N由于内部集成正负稳压电源,相比NSI6602VD外围电路更简化,因此整体元器件数量也更少,系统成本更低。
GaN直驱方案的驱动及供电电路BOM对比
适配多种类型GaN,驱动电压灵活调节
纳芯微开发的E-mode GaN驱动芯片NSD2622N,不仅性能强大,还能够适配不同品牌、不同类型(例如电压型和电流型)以及不同耐压等级的GaN器件。举例来说,NSD2622N的输出电压通过反馈电阻可以设定5V~6.5V的驱动电压。这样一来,在搭配不同品牌的GaN时,仅仅通过调节反馈电阻就可以根据GaN特性设定最合适的驱动电压,使不同品牌的GaN都能工作在最优效率点。
除此之外,NSD2622N具备最低200V/ns的SW节点dv/dt抑制能力,提升了GaN开关速度上限;采用更为紧凑的QFN封装以及提供独立的开通、关断输出引脚,从而进一步减小驱动回路并降低寄生电感;提供过温保护功能,使GaN应用更安全。
纳芯微还可提供单通道GaN驱动芯片NSD2012N,采用3mm*3mm QFN封装,并增加了负压调节功能,从而满足更多个性化应用需求。